新闻资讯
news
东莞市环仪仪器科技有限公司
电话:0769 83482055
传真:0769 83482056
移动电话:15322932685/宋小姐
地址:广东省东莞市东坑镇龙坑兴业路3号
常见问题
流体软管高低温耐压爆破试验机的技术要求
流体软管高低温耐压爆破试验机用于各种汽车软管、胶管、空调管、汽车软管的耐压、气密、爆破脉冲等试验项目。为了对液压软管总成进行可靠性试验,我们根据《gb /t 7939》的标准 要求,对爆破试验机做出了以下技术要求。
产品名称:环仪仪器 流体软管高低温耐压爆破试验机

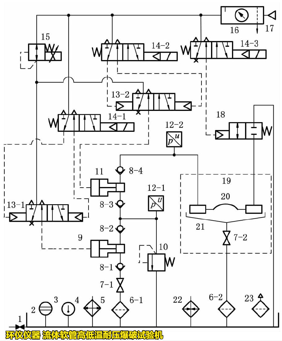
根据耐压爆破试验要求,设计了耐压爆破试验台液压系统,系统原理下图所示。

1. 放油阀 2. 油箱 3. 液位计 4. 温度计 5. 冷却器 6. 过滤器 7. 球阀 8. 单向阀 9. 低压气液泵 10. 溢流阀 11. 高压气液泵 12. 压力传感器
13. 气动换向阀 14. 电磁换向阀 15. 比例减压阀 16. 气动三联件 17. 气源 18. 气动换向阀 19. 试验工装 20. 液压软管总成 21. 集油箱 22. 加热器 23. 空气过滤器
系统构成:
耐压爆破试验台有气液转换系统、气源压力调节系统、气控排空系统。
1.气液转换系统的关键元件是气液泵,以压缩空气 ( 压力小于或等于0. 7 mpa) 作为动力源且能够输出与驱动气压成正比的液压力气液转换系统采用高低压双气液泵复合增压技术,利用低压气液泵( 最高输出压力为28 mpa,增压比为40∶ 1) 补偿高压气液泵 ( 最高输出压力为280 mpa,增压比为400∶ 1) 的低压盲区;
2.气源压力调节系统通过比例减压阀可实现气液泵驱动气压的无级调节;
3.气控排空系统通过气动控制可实现自动排空、油液混合循环、集油排油等功能。

耐压爆破试验台能实现以下功能:
1.可进行耐压(恒速升压 - 保压 - 卸压) 、爆破( 恒速升压 - 爆破) 两种试验。
2.试验压力可在0 ~ 3mpa间调节,升压速率 可在0~10 mpa /s间调节。
3.试验介质温度可在10 ~ 180 ℃ 间调节。
主要技术参数:

如有流体软管高低温耐压爆破试验机的选型疑问,可以咨询环仪仪器相关技术人员。
上一篇: 软管总成耐压爆破试验系统的试验设计 下一篇: 软管高低温高压爆破试验机
流体软管高低温耐压爆破试验机的技术要求-新威尼斯人

环仪仪器厂家提供完整的新威尼斯人的售后服务,每一台环仪设备都有机身编号,只需提供机身号就可获得高效的覆盖全国30多个省市的新威尼斯人的售后服务,环仪承诺环境测试舱2年质保,终身维修,服务网点及周边地区确保2小时快速响应。


